| Sign In | Join Free | My adobecards.com |
|
Brand Name : YBX
Model Number : YB38P3-6A-S
Certification : cUL, TUV, CQC, CE, ROHS
Place of Origin : China
MOQ : 100pcs
Price : Negotiable
Payment Terms : L/C, T/T
Supply Ability : 500000 Piece/Pieces per Month
Delivery Time : 15-25 days
Packaging Details : 56.5*28.5*22.5cm(one box)
Name : YB38P3
Origin : Shenzhen,China
Rated Current : 1~10A
Input Impedance : 50MOhm
Packing : Box
Brand : YANBIXIN
Yanbixin CE ROHS Standard Power Line Noise Filter / Powerline Adapter Noise Filter
Product Description
Physical Dimensions
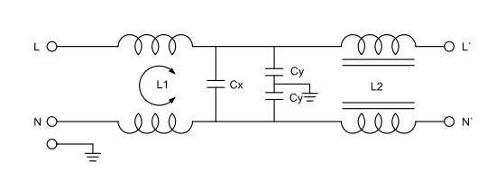
Electrical Schematic

Characteristics
(1) Voltage Rating............................................................................................115/250VAC
(2) Current Rating:
A.@115VAC............................................................................................... 6A RMS Max.
B.@250VAC............................................................................................... 6A RMS Max.
(3) Oprating Frequency:50/60Hz
(4) Leakage Current: each line to ground
A. 115VAC/60Hz........................................................................................... 0.4mA Max.
B. 250VAC/50Hz...........................................................................................0.8mA Max.
(5) Hipot Rating(for one minute)
A. Line to ground............................................................................................ 2250VDC
B. Line to line.................................................................................................. 1450VDC
(6) IR: 50M ohm A7 500VDC any input or output to ground
(7) Temperature Range: -25℃~+85℃
Our Company
1.Customized:We have a professional R&D team; our aims is we won't let customers
spend any extra money.
2.Listed company:National high-tech enterprises, brand assurance, reliable quality, and
we have the relevant product certifications.
3.Rectification test: We cooperate with top scientific research laboratories to provide free
EMC rectification technical support, samples; and free conduction test.
4.Scale production:Automation technology, scale production, great price,excellent, service,
fast delivery! Free replacement within three months, free maintenance within six years,
life-long maintenance!
Our Advantages
1. ISO9001.2015 quality system; cUL,TUV,CQC, CE, ROSH certifications.
2.We have a professional R&D team; our aims is we won't let customers spend any extra money!
3.National high-tech enterprises, brand assurance, reliable quality, and we have the relevant
product certifications.
4.We cooperate with top scientific research laboratories to provide free EMC rectification technical
support, samples; and free conduction test.
5.Automation technology, scale production, great price,excellent, service, fast delivery! Free replacement
within three months, free maintenance within six years, life-long maintenance!

Sample
-- Sample Fee: Negotiate
-- Sample Time: 3~5 days
Payment
---Payment terms: Western Union, D/P, T/T,L/C
---Please remember to leave the correct contact information for delivery.
Packaging
Power Line Filter: CTN/300pcs
N/G W.: 13.5/14.3KG
Measures:0.565*0.285*0.225m
Shipment
---Shipping terms: DHL, UPS, FEDEX, TNT, EMS
---Port is Shenzhen or as requests.

GIVE US A CHANCE TO COOPERATE
WITH YOU!
|
|
Yanbixin CE ROHS Standard Power Line Noise Filter / Powerline Adapter Noise Filter Images |